特點
★ 內置自調心軸承,可以對軸膨脹和未對準(軸兩端不在一個平面上)情況進行補償
★ 內置新型機械式10倍防過載保護結構
★ 溫度漂移小,具有良好的線性誤差和重復性誤差
★ 外形尺寸小,安裝所需空間小
技術參數
非線性 |
0.3%F.S. |
輸出靈敏度 |
1.5±0.2%mV/V |
重復性 |
0.15%F.S. |
零點輸出 |
±2%F.S. |
工作溫度范圍 |
-20~80°C |
溫度補償范圍 |
-10~40°C |
零點溫度漂移 |
0.02%F.S./°C |
絕緣電阻 |
≥2000MΩ/100VDC |
使用電壓力 |
5~10VDC |
極限過載 |
1000%F.S. |
電纜線尺寸 |
∅5x5m |
防護等級 |
IP65 |
電纜線連接方式 |
Ex+:紅;Ex-:黑;Sig+:綠;Sig-:白 |
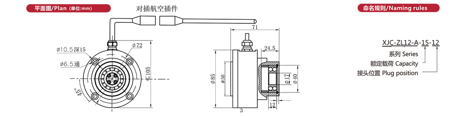
產品構圖


XJCSENSOR鑫精誠傳感器是一家擁有60多項專利,以自主研發、生產、銷售、服務為一體的國家 高新技術企業。
我們專注于微型壓力、稱重、多軸力、扭力、智能等傳感器與控制儀表,應 用于自動化設備、精密醫療、新能源鋰電、機器人、半導體、航空鐵路、高校等領域合作。
詳情咨詢 :+86(0755) 2788 7290 / 2788 7263