特點
◆采用高精度電阻應變式原理
◆可滿足 0-12T 范圍內的力測量
◆磨合結構設計,壓式承載,安裝使用方便靈活
◆不銹鋼材料
◆體積小巧,外型美觀
◆響應頻率高
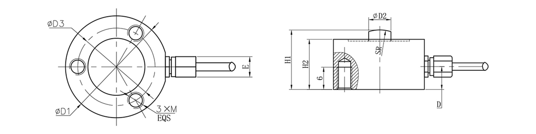
技術參數
量程(可選) |
0-12T |
材質 |
不銹鋼 |
非線性 |
0.5% F.S. |
輸出靈敏度 |
1.0-1.5mV/V |
使用電壓力 |
5-10VDC |
最大使用電壓 |
10VDC |
防護等級 |
IP65 |
溫度補償范圍 |
-10 ~40 ºC |
滯后 |
0.5% F.S.
|
工作溫度范圍 |
-20 ~80 ºC |
重復性 |
0.1% F.S. |
絕緣電阻 |
≥5000MΩ/100VDC |
輸入阻抗 |
1000±50Ω(750±50Ω)
|
輸出阻抗 |
1000±100Ω(700±10Ω) |
蠕變 (30分鐘) |
0.1% F.S. |
溫度靈敏度漂移 |
0.2% F.S. / 10ºC |
零點輸出 |
± 2% F.S. |
零點溫度漂移 |
0.2% F.S. / 10ºC |
安全超載 |
150% |
極限超載 |
200% |
電纜線尺寸 |
φ2x4m/φ3x4m |
使用壽命 |
滿量程100萬次以上 |
電纜線連接方式 |
Ex + : 紅; Ex - : 黑,Sig + : 綠 ; Sig - : 白; |


XJCSENSOR鑫精誠傳感器是一家擁有60多項專利,以自主研發、生產、銷售、服務為一體的國家 高新技術企業。
我們專注于微型壓力、稱重、多軸力、扭力、智能等傳感器與控制儀表,應 用于自動化設備、精密醫療、新能源鋰電、機器人、半導體、航空鐵路、高校等領域合作。
詳情咨詢 :+86(0755) 2788 7290 / 2788 7263