特點
◆響應速度快
◆采用電阻應變式原理,精度高
◆經過高低溫補償,溫度特性好
◆傳感器體積小,高度低,適合小體積應用
◆采用結構解耦的結構,長期串擾誤差小,長期穩定性強
技術參數
非線性 |
≤±0.5%F.S. |
重復性 |
≤±0.05%F.S. |
零點輸出 |
±5%F.S. |
工作溫度范圍 |
-20~80℃ |
溫度補償范圍 |
-10~40℃ |
絕緣電阻 |
≥2000MΩ/50VDC |
推薦激勵電壓 |
5-10VDC |
安全超載 |
300%F.S. |
溫度靈敏度漂移 |
≤0.2%F.S./10℃ |
零點溫度漂移 |
≤0.2%F.S./10℃ |
長期串擾誤差 |
≤3%F.S. |
防護等級 |
IP65 |
電纜線尺寸 |
φ2x0.5m+φ4.5x2.5m+14PIN插頭 |
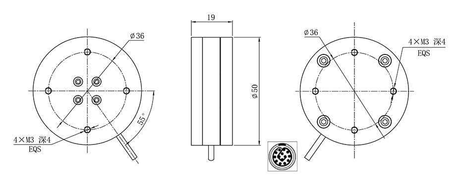
產品構圖


XJCSENSOR鑫精誠傳感器是一家擁有60多項專利,以自主研發、生產、銷售、服務為一體的國家 高新技術企業。
我們專注于微型壓力、稱重、多軸力、扭力、智能等傳感器與控制儀表,應 用于自動化設備、精密醫療、新能源鋰電、機器人、半導體、航空鐵路、高校等領域合作。
詳情咨詢 :+86(0755) 2788 7290 / 2788 7263